|
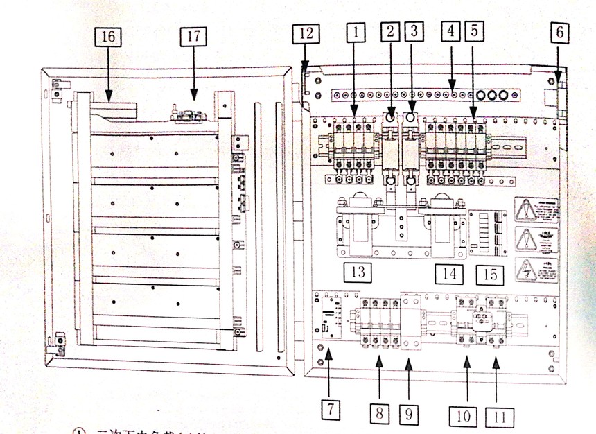
动力源DUMB-48-50H壁挂电源产品说明及技术参数,动力源通信电源壁挂,48V200A高频开关电源 参数规格 品牌:动力源 型号:DUMB-48-50H 1,控制器:DKD46 1台 2,整流器:DZY-48/50H2~4台 3,额定交流输入:AC220V:额定直流输出:DC48V/50A: 4,系统容量:100~200A 5,交流配电: 6,交流输入:单相220Vac两路,手动转换,三线制一火线L、零线N、保护地线PE 7,标准配置C级防雷器,1套: 8,交流输出:为整流模块配置开关断路器 9,直流输出分路(标准配置,可根据用户要求配置) 10,直流输出(下电)分路 11,一次下电(断路器):100A×1、63A×2、32A×2、20A×2 12,二次下电(断路器):20A×1、10A×2 13,系统直流输出应能承受8/20us,15kA或以上防雷能力 14,系统可接入两组电池:100A×2 动力源DUMB-48-50H壁挂电源产品说明及技术参数,动力源通信电源壁挂,48V200A高频开关壁挂式电源机柜产品配电结构:
动力源DUMB-48-50H壁挂电源产品说明及技术参数,动力源通信电源壁挂,48V200A高频开关壁挂式电①二次下电负载(-)输入断路器:②电池1(-)输入断路器;③电池2(-)输入断路器;④两组电池及一二次下电负载(+)输入端子; ⑤一次下电负载(-)输入断路器;⑥直流防雷板;⑦交流检测板; ⑧模块输入断路器;⑨C级防雷模块;⑩交流输入I;⑪交流输入Ⅱ;⑫直流分路检测板; ⑬二次下电直流接触器;⑭一次下电直流接触器;⑮8路干接点检测接口;⑯DKD46控制器;⑰转接板 动力源DUMB-48-50H壁挂电源产品说明及技术参数,动力源通信电源壁挂,48V200A高频开关电源机柜
|





