|
动力源DUM-48/50C通信电源技术指标及维修,动力源嵌入式系统,动力源48V600A高频开关电源动力源DUM-48/50C通信电源技术指标及维修,动力源嵌入式系统,动力源48V600A高频开关电源
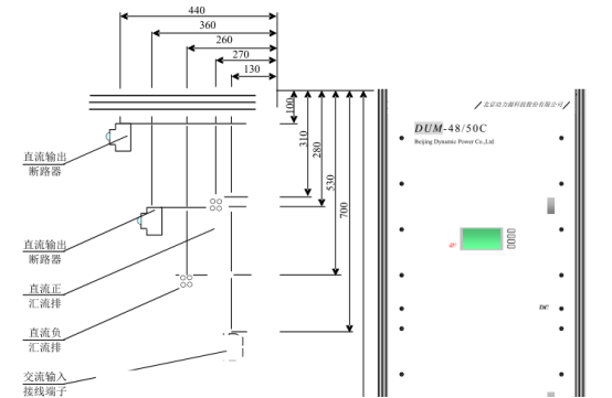
动力源DUM-48/50C通信电源主要技术指标及尺寸 1. 输出: 额定电压: 48V 稳压工作范围: 43~57.6V 稳压精度: 不超过直流输出电压整定值的±0.6%。 均流误差: 整流器的输出电流在50%~100%的额定电流范围内时, 其均分负载 电流不平衡度小于额定电流的±5% 效率: 单体整流器≥91. 0% 可闻噪音: ≤55dB 2. 杂音电压: 电话衡重杂音电压: ≤2.0mV 峰—峰值杂音电压: ≤150mV 宽频杂音电压3.4~150KHz: ≤50mV 0.15~30MHz: ≤20mV 二、 动力源DUM-48/50C通信电源系统组成 图2-1是DUM-48/50C智能开关电源外形安装图, 由上而下依安装直流配电、 交流配 电、 控制器、 整流器, 控制器安装在直流配电部分的前门。 DUM-48/50C智能开关电源系统组成: 1. 控制器: DKD09, 1 台 2. 整流器: DZY-48/50C, 2~12 台 交流输入: AC220V/20A 直流输出: DC48V/50A 3. 动力源DUM-48/50C通信电源系统容量: 单柜 100~600A 两柜并柜可达1200A 4. 交流配电 交流输入: 三相380V/100A, 2路手动转换 交流输出: 220V/20A, 12路(为整流器供电)
5. 直流配电: 输出分路: 100A断路器, 2路 63A断路器, 2路 32A断路器, 2路 20A断路器, 2路 10A断路器, 2路 电池接入单元: 熔断器400A, 2路 分流器400A/ 75mV, 2路 直流接触器400A, 1个; 200A, 1个 6. 机柜外形尺寸(宽×深×高, mm): 600×600×2000
|







