22:55:54
华为ESM-48V100B1磷酸铁锂锂电池激活步骤及应用说明,华为48V100A高频开关电源锂电池组,华为48V通信锂电池
华为ESM-48V100B1磷酸铁锂锂电池激活步骤及应用说明,华为48V100A高频开关电源锂电池组,华为48V通信锂电池
华为ESM-48V100B1激活步骤:

ESM 有以下三种激活方式,激活后 ESM 从休眠模式进入离线模式:
①PWR 激活:在 ESM 面板的 PWR 端子上输入 43.2V-58V 的直流电压持续≥5s
② MANUAL ON/OFF 激活:在 ESM 面板长按 MANUAL ON/OFF 按钮≥5s 且< 15s。
③功率口激活:前面板功率端子输入 43.2V-58V 的直流电压持续≥5s。
注意事项:
① MANUAL ON/OFF 激活按钮属于接触式按钮,两次按键间隔时间应大于 0.5s,否则操作无 效。
②如果电池在充电/放电/离线模式中,通过 MANUAL ON/OFF 按钮使电池强制下电后,只有长 按激活按钮才能再次激活 ESM。
华为ESM-48V100B1磷酸铁锂锂电池应用说明:
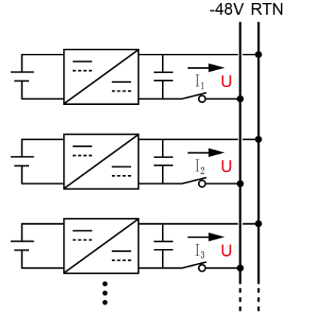
一丶并联应用;

ESM 支持并联应用,同步增加备电时间或备电功率: 单组 ESM 备电功率 4.8kW,
N 组并联支持的最大功率 P=min (4.8kW*N*支持最大功 率/KW,24kW),2≤N≤32;
并联数目 2 3 4 5 6 7 8 9 .......... 32
支持最大功率 9.6 14.4 19.2 24 24 24 24 24 .......... 24

二丶在线扩容
通过 ESM 的维护模式功能,可满足现网电池不下电的情况,对系统进行在线扩容,保 障电池在扩容过程中不会出现市电停电而宕站。
三丶B类直通风应用
ESM 可满足 A/B 类环境条件下直通风应用,不能单独应用于上述 C/D 类环境。
如果要 用于 C 类环境,则需配合华为室外柜(IP 防护等级:IP34 或者以上)使用。
如果要用 于 D 类环境,则需配置高防护等级空调机柜,建议 IP55 以上。
大气腐蚀环境按照自然环境状态分类和定义,分为以下四个类型:
①A 类环境—— 即受控环境。指温湿度受控的室内(包括有人居住的房间),其空 气相对湿度能被控制在 65%以下的环境。
②B 类环境—— 即不受控环境。指温湿度不受控的房间内,或一般的室外环境(包 括只有简单遮蔽如遮阳棚),湿度偶然会达到 100%的情况。
③C 类环境—— 即恶劣环境。指海洋或污染源附近的陆地室外或只有简单遮蔽(如 遮阳棚)的环境。“海洋附近”指离海洋 0.5~3.7km 范围;“污染源附近”是指在 以下半径范围内的区域:距离盐水湖 3.7km,冶炼厂、煤矿、热电厂等重污染源 3km,化工、橡胶、电镀等中等污染源 2km,食品、皮革、采暖锅炉等轻污染 1km。
④D 类环境—— 即海洋性环境。指距离海岸边 500m 以内的陆地室外或只有简单遮 蔽(如遮阳棚)的环境,或海面上的环境。
四丶低温应用
①低温充电:ESM 不支持 0℃以下直接对电池进行充电,当电池最低温度<0℃, ESM 会关闭充电回路,不能充电。 ESM 在低于 0℃环境下应用时,需要在机柜内增加加热盒,将电池温度加热到≥ 3℃,然后才能对电池进行充电。
②低温放电:ESM 不支持-20℃以下放电,当电池最低温度<-20℃,ESM 会关闭放 电回路,不能放电。 ESM 在低于-20℃环境下应用时,需要在机柜内增加加热盒,将电池温度加热到≥ -17℃,然后才能对电池进行放电。
华为ESM-48V100B1磷酸铁锂锂电池尺寸:
442 mm×396 mm×130 mm(不含挂耳)
482 mm×396 mm×130 mm(包含挂耳)
宽X深X高
崔经理 18611994378