动力源DUM-48/50C通信电源技术指标及维修,动力源嵌入式系统,动力源48V600A高频开关电源
动力源DUM-48/50C通信电源技术指标及维修,动力源嵌入式系统,动力源48V600A高频开关电源
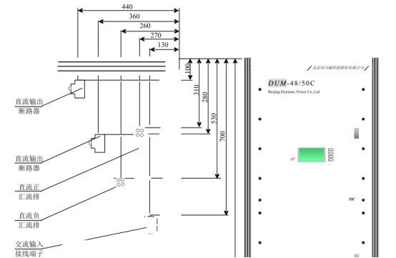
动力源DUM-48/50C通信电源主要技术指标及尺寸
1. 输出:
额定电压: 48V
稳压工作范围: 43~57.6V
稳压精度: 不超过直流输出电压整定值的±0.6%。
均流误差: 整流器的输出电流在50%~100%的额定电流范围内时, 其均分负载
电流不平衡度小于额定电流的±5%
效率: 单体整流器≥91. 0%
可闻噪音: ≤55dB
2. 杂音电压:
电话衡重杂音电压: ≤2.0mV
峰—峰值杂音电压: ≤150mV
宽频杂音电压3.4~150KHz: ≤50mV
0.15~30MHz: ≤20mV
二、 动力源DUM-48/50C通信电源系统组成
图2-1是DUM-48/50C智能开关电源外形安装图, 由上而下依安装直流配电、 交流配
电、 控制器、 整流器, 控制器安装在直流配电部分的前门。
DUM-48/50C智能开关电源系统组成:
1. 控制器: DKD09, 1 台
2. 整流器: DZY-48/50C, 2~12 台
交流输入: AC220V/20A
直流输出: DC48V/50A
3. 动力源DUM-48/50C通信电源系统容量: 单柜 100~600A
两柜并柜可达1200A
4. 交流配电
交流输入: 三相380V/100A, 2路手动转换
交流输出: 220V/20A, 12路(为整流器供电


5. 直流配电:
输出分路: 100A断路器, 2路
63A断路器, 2路
32A断路器, 2路
20A断路器, 2路
10A断路器, 2路
电池接入单元: 熔断器400A, 2路
分流器400A/ 75mV, 2路
直流接触器400A, 1个; 200A, 1个
6. 机柜外形尺寸(宽×深×高, mm): 600×600×2000
.
崔经理 18611994378